logo

λεπτομέρειες για τα προϊόντα

Created with Pixso. Σπίτι Created with Pixso. προϊόντα Created with Pixso.
Συσκευές προστασίας χαμηλής τάσης
Created with Pixso.

Ανθεκτικό ορειχάλκινο περίβλημα HMI πάνελ αφής Αρθρωτός βραχίονας 1250W 11-12110-00

Ανθεκτικό ορειχάλκινο περίβλημα HMI πάνελ αφής Αρθρωτός βραχίονας 1250W 11-12110-00

Ονομασία μάρκας: Emerson
Αριθμός μοντέλου: 11-12110-00
Τροποποιημένο: 1
τιμή: Διαπραγματεύσιμα
Όροι πληρωμής: Δ/Κ, D/Α, D/P, T/T, Western Union, MoneyGram
Ικανότητα εφοδιασμού: Σε αποθέματα
Λεπτομέρειες
Τόπος καταγωγής:
Αμερική
Πιστοποίηση:
CE
Συσκευασία λεπτομέρειες:
Νέο αρχικό κουτί
Δυνατότητα προσφοράς:
Σε αποθέματα
Περιγραφή του προϊόντος
Λεπτομερή περιγραφή του προϊόντος
Ετικέτα: Έμερσον. Σχήμα: 11-12110-00
Καταγωγή: 11-12110-00 Επικοινωνία: 120/240/480/600VAC
W: 1250W Συσκευή: Καρτόνι
Σημείωση:

οθόνη αφής οθόνης hmi

,

Βιομηχανικά πάνελ HMI

 

 

Ηλεκτρονική επαφή με την οθόνη HMI Emerson GO SWITCH 11-12110-00 1250W 120/240/480/600VAC

 

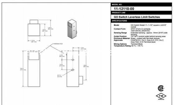
Το GO Switch Model 11 διαθέτει ανθεκτικά περιβλήματα και παγκόσμιες εγκρίσεις.Όλα τα διακόπτες περιλαμβάνουν στρογγυλές βίδες τοποθέτησης κεφαλή με κλειδαριά πλύση και καρφίΟ πρωτότυπος χωρίς μοχλό διακόπτης ορίου, ο GO Switch Model 11 διαθέτει σφραγισμένες χρυσές επαφές, ανίχνευση χωρίς άγγιγμα και ανταπόκριση στιγμιαίας δράσης σε τετράγωνο σχεδιασμό διακόπτη: 38mm τετραγωνικό x 116mm ύψος.Όπως και με όλα τα GO Switches, μπορεί να είναι καλωδιωμένο A/C ή D/C, N/O ή N/C, δεν καταναλώνει ενέργεια για να λειτουργήσει και δεν έχει διαρροή ρεύματος ή πτώση τάσης.

Διαθέσιμο σε σκληρό χαλκό ή ατσάλινο περίβλημα, το GO Switch Model 11 αντέχει στη σωματική κακοποίηση, την υγρασία και τα διαβρωτικά.Προσφέρει επαφές SPDT 10amp που είναι κατάλληλες για υψηλό ή χαμηλό ρεύμα, καθώς και τυποποιημένη πλευρική ανίχνευση 10 mm, εκτεταμένη ανίχνευση έως 14 mm ή ακριβής ανίχνευση 6 mm. Κατάλληλη για εφαρμογές ανθεκτικότητας σε εκρήξεις στις ζώνες 0, 1 ή 2 (Div 1 & 2),αντέχει θερμοκρασίες μέχρι 176°C, και είναι βυθίσιμο μέχρι 132 μέτρα.

Το μοντέλο 11 έχει απλό σχεδιασμό, ανθεκτικό περίβλημα, μεγάλη εμβέλεια ανίχνευσης, ευελιξία καλωδίωσης και παγκόσμιες εγκρίσεις που το καθιστούν ιδανική επιλογή όπου χρειάζεται αξιόπιστη ανίχνευση θέσης.

Πλεονεκτήματα

  • Το ανθεκτικό σπίτι από χαλκό ή από ανοξείδωτο χάλυβα αντέχει σε φυσικές επιθέσεις, υγρασία, εκρηκτικά και διαβρωτικά περιβάλλοντα.
  • Η θωράκιση κυψέλης παρέχει άμεση δράση και σταθερή πίεση επαφής, εξαλείφοντας το "χαστούκι επαφής" και το "σπάσιμο επαφής" σε εφαρμογές υψηλών δονήσεων
  • επαφές SPDT βαρέος φορτίου με ονομαστική ισχύ 10amp/120VAC, 3amp/24VDC, .5amp/125VDC
  • Κανονική θερμοκρασία -40°C έως 105°C, επιλογή υψηλής θερμοκρασίας έως 176°C
  • Κατάλληλο για εφαρμογές ανθεκτικότητας σε έκρηξη στις ζώνες 0, 1 ή 2 (διαίρεση 1 και 2)
  • Ο μοναδικός παγκοσμίως ανθεκτικός σε έκρηξη διακόπτης εγγύτητας με 10 άμπερες.

 

 

Μαγνητικοί αισθητήρες: τύπος αισθητήρα - επαγωγικός μαγνητικός αισθητήρας· εφαρμογή - ανίχνευση σιδηρούχου μετάλλου· στυλ τοποθέτησης στο περίβλημα - μπλοκ; θέση αισθητήρα - πλάτη· σύρματα - 3W· κατάσταση εξόδου - SPDT·Υλικό - Κατασκευή - Χαλκός, Μαύρη λάκα, τύπος σύνδεσης - έξοδος αγωγού, μέγεθος σύνδεσης - 1/2" NPT, βαθμολογία περίβλησης - τάξη 1, διαίρεση 2; θερμοκρασία λειτουργίας - -40 έως 177 βαθμούς C -40 έως 350 βαθμούς F,Πρόσθετες πληροφορίες - Ανίχνευση απόστασης: 14 mm. Με μαγνήτη στόχου: 95 mm δεν περιλαμβάνεται· Σειρά κατασκευαστή - GO Switch 10 Series

 

Συμπληρωματικές πληροφορίες: Απόσταση ανίχνευσης: 14 mm. Με μαγνήτη στόχου: 95 mm (δεν περιλαμβάνεται)

 

Ανθεκτικό ορειχάλκινο περίβλημα HMI πάνελ αφής Αρθρωτός βραχίονας 1250W 11-12110-00 0

 

Προδιαγραφές:

Τύπος αισθητήρα: Μαγνητικός αισθητήρας
Εφαρμογή: Ανίχνευση σιδηρού μετάλλου
Στυλ τοποθέτησης οικισμού: Μπλοκάρισμα
Θέση ανίχνευσης: Αριστερά
Διάταξη: 3W
Τρόπος εξόδου: ΔΕΠΔ
Υλικό - Σώμα: Κεράμι, μαύρη λάκα
Τύπος σύνδεσης: Αποδέσμευση αγωγού
Μέγεθος σύνδεσης: 1/2 σελ.
Κατηγορία περιβλήματος: Τάξη 1, Τμήμα 2
Θερμοκρασία λειτουργίας: -40 έως 177 βαθμοί C (-40 έως 350 βαθμοί F)

 

 

Παρόμοια μοντέλα:

81-20546-Α2 81-20516-Α2
7E-33658-DCA 7G-13529-B3
73-1352Τ-Α2 73-13523-Α2
73-13524-Α2 11-11524-Α2